РУКОВОДСТВО  по  РЕМОНТУ


+ Вступление
+ Двигатель
+ Система смазки
+ Система охлаждения
+ Зажигание
+ Система питания топливом
+ Дизель
+ Система выпуска отработавших газов
+ Сцепление
+ Механическая КПП
+ Автоматическая КПП
- Подвеска и рулевое управление
    Передняя подвеска
    Амортизатор
    Работа с амортизатором
    Проверка амортизатора
    Поперечный рычаг
    Поворотный кулак
    Приводный вал
    Промежуточный вал
    Работа с приводным валом
    Подшипник передней ступицы
    Задняя подвеска
    Задний амортизатор
    Работа с задним амортизатором
    Стойки стабилизатора, продольный рычаг
    Подшипник ступицы
    Монтаж подшипника ступицы
    Люфт подшипника ступицы
    Монтаж ступицы
    Рулевое управление
    Руль
    Наконечник рулевой тяги
    Резиновая манжета рулевого привода
    Насос сервоуправления
    Углы установки колес
    Значения для проверки
+ Тормоза
+ Кузов и шины
+ Электрика
+ Печка, свет и приборы
+ Пользование органами управления
+ Электросхемы

Пробки на Яндекс.Картах     


  Рулевое управление



Рулевое управление состоит из рулевого колеса, вала рулевого управления, рулевого механизма и поперечных рулевых тяг. Рулевое колесо привинчено к валу, который ведет к рулевому механизму. Благодаря зубчатому зацеплению в рулевом механизме перемещается зубчатая рейка.

Каждый конец зубчатой рейки соединен через шаровый шарнир с рулевыми тягами. Они переносят силу от рулевого колеса через шарниры рулевых тяг и поворотные кулаки на передние колеса. Реечное рулевое управление должно иметь легкий ход и не иметь люфта от упора до упора. Оно не обслуживается, но нужно следить за безупречным состоянием уплотнительных манжет.

В зависимости от модели и оснащения рулевое управление может быть оснащено гидравлическим усилителем. Благодаря рулевому управлению с гидроусилителем (сервоуправлению) сила, необходимая для поворота рулевого колеса незначительна. Усилитель рулевого управления состоит из масляного насоса, компенсационного бачка и маслопроводов. Насос приводится в действие через клиновой ремень от двигателя. Насос подсасывает масло из компенсационного бачка и подает под высоким давлением к телу клапана. Тело клапана находится в рулевом механизме. Клапан механически связан с валом рулевого управления и подает масло в зависимости от поворота колеса в соответствующую сторону рабочего цилиндра. Там масло нажимает на поршень зубчатой рейки и поддерживает движение управления. Одновременно поршень выталкивает масло с другой стороны рабочего цилиндра по возвратному трубопроводу обратно в компенсационный бачок.

 ВНИМАНИЕ !

Самостопорящиеся гайки всегда заменять. Сварочные и рихтовочные работы на рулевом управлении недопустимы. При недостаточном опыте, а также крупном ремонте следует обратиться в специализированную мастерскую.

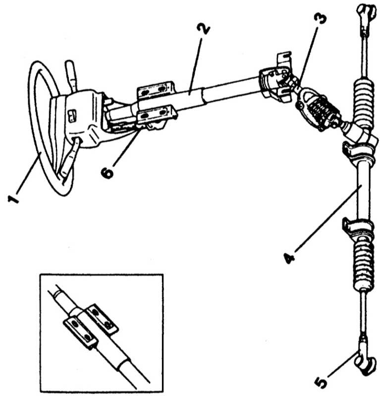
Рулевое управление без усилителя

1 — рулевое колесо
2 — вал рулевого управления
3 — промежуточный рулевой вал

4 — рулевой механизм
5 — наконечник рулевой тяги
6 — рычаг регулируемого рулевого колеса